II-CVHAP.gif (16582 bytes)

ESTRUCTURA Y FUNCION DEL HUESO NORMAL

Dr. Sergio Serrano

Comentarios

[Índice] [Introducción] [Matriz] [Osteoblasto] [Osteoclasto] [Biomecanica] [Dinamica] [Bibliografía]

1. HISTOLOGÍA DEL TEJIDO ÓSEO (cont.)


1.2 Células óseas (cont)

 

1.2.2 Linaje Osteoclástico

Los osteoclastos son células multinucleadas (Fig.8), de citoplasma acidófilo y ricas en anhidrasa carbónica y fosfatasa ácida resistente al tartrato (TRAP)1,2,16. Son de mayor tamaño que los osteoblastos y se disponen sobre las superficies óseas de manera aislada o en grupos poco numerosos. Al igual que los osteoblastos son células polarizadas en la que los núcleos se situan en el extremo que se halla más alejado de la superficie ósea sobre la que asientan. Derivan de la célula madre hematopoyética a través de células formadoras de colonias de granulocitos y macrófagos (CFU-GM). La proliferación de estas células es activada por el factor estimulante de colonias de macrófagos (M-CSF). El reclutamiento de los preosteoclastos a partir de las CFU-MG parece ser promovido por la IL-1,IL6 e IL-11. Los preosteoclastos son células dotadas de un solo núcleo que se adhieren a las superficies óseas y al fusionarse entre sí dan lugar a los osteoclastos17. Los preosteoclastos expresan en su membrana moléculas de adhesión pertenecientes a la familia de las caderinas que parecen intervenir en la fusión de estas células. Los preosteoclastos de la médula ósea pueden dar lugar por fusión a los osteoclastos que remodelan el hueso esponjoso o pasar a la circulación. Para que estas células mononucleares circulantes puedan regresar por diapédesis al microambiente óseo deben adherirse a las células endoteliales. Se piensa que esta adhesión es posible porque que los osteoclastos y sus precursores expresan en su membrana una proteina denominada anexina II17. Dado que en el hueso cortical no existe médula ósea es probable que los osteoclastos que intervienen en su remodelación procedan de precursores circulantes que hayan emigrado del interior de los capilares sanguineos de los conductos de Havers. La adhesión de los precursores de los osteoclastos a la matriz ósea tiene lugar en aquellos puntos donde ésta queda expuesta porque se separan entre sí las células de revestimiento al modificarse la conformación de su citoesqueleto. Las células de revestimiento son de origen osteoblástico y poseen receptores para la PTH por lo que se ha sugerido que esta hormona podría desencadenar el proceso. La adhesión de las células de estirpe osteoclástica a la matriz es posible porque expresan en su membrana moléculas de adhesión de la familia de las integrinas. La integrina a2ß 1 interacciona con el colágeno y la integrina avß3 con la vitronectina, osteopontina y sialoproteina ósea17.

figura8.jpg (52229 bytes)  

 

Fig. 8: Grupo de osteoclastos reabsorbiendo hueso. Obsérvese, la multinucleación de estas células y el aspecto ondulado que, por acción de los osteoclastos, adquiere la superficie ósea adyacente (Tricrómico de Goldner x 500).

 

El estudio ultrastructural (Fig.9) de los osteoclastos revela que sus organelas se concentran en el citoplasma perinuclear donde los complejos de Golgi son abundantes2,16. En el resto del citoplasma se observan abundantes mitocondrias y estructuras vesiculares de diversas densidades y tamaños. Es probable que algunas de estas estructuras vesiculares correspondan a lisosomas ricos en TRAP y colagenasas. Las cisternas del retículo endoplásmico rugoso no son muy numerosas ni muy extensas. Es característico de estas células que la zona de su membrana que entra en relación con la matriz ósea se halle fruncida. Entre los plegamientos de la membrana y la matriz ósea existe un estrecho espacio poco denso a los electrones. A ambos lados de la zona de plegamiento la membrana se aplana y se adhiere más intimamente a la matriz. En las tres dimensiones del espacio este segmento aplanado corresponde a un rodete que adhiere el osteoclasto a la superficie ósea de manera parecida a como lo haría el borde de una ventosa. Así, el espacio comprendido entre la membrana fruncida y la matriz ósea queda convertido en un microambiente que se halla aislado del intersticio medular. El segmento de citoplasma adyacente a esta zona aplanada se halla libre de organelas por lo que se denomina zona clara2,16. Esta zona contiene abundantes microfilamentos de actina que probablemente se relacionan con la capacidad de traslación de la célula. De hecho los osteoclastos a medida que reabsorben el hueso realizan un movimiento de vaivén parecido al que efectua el cepillo de un carpintero16. El territorio sobre el que se desplaza un osteoclasto durante el proceso de reabsorción es varias veces superior al de la superficie de la célula y se denomina dominio osteoclástico. La TRAP es capaz de desfosforilar la osteopontina y la sialoproteína ósea por lo que podría facilitar los movimientos de la célula al separarla de estas proteínas de la matriz.

figura9a.jpg (32861 bytes)

Fig. 9 A: Osteoclasto humano cultivado sobre una lámina de dentina. Obsérvense las prolongaciones citoplasmáticas (podosomas) que adhieren esta célula a la matriz. Por debajo de la célula se insinua la cavidad producida por la acción del osteoclasto. (Microscopía electrónica de barrido x 4500).

figura9b.jpg (52757 bytes)

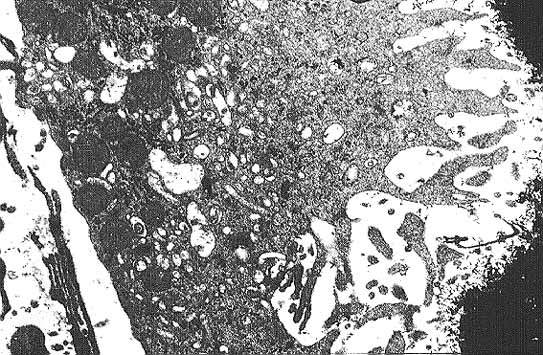
Fig. 9 B: Osteoclasto que en su superficie inferior se halla en contacto con matriz ósea mineralizada (color negro). En este corte solo se observa un núcleo que se situa en el margen inferior derecho de la imagen. Obsérvese que la membrana en contacto con el hueso se halla fruncida en la parte central, mientras que en ambos margenes se aplana (Microscopía electrónica de transmisión x 3400).

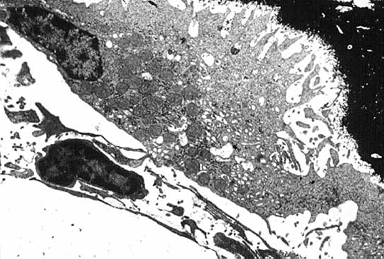
figura9c.jpg (85175 bytes)

Fig. 9 C: Detalle del citoplasma de un osteoclasto. Obsérvese en el margen izquierdo, la membrana fruncida y la solubilización de la matriz ósea de la que se van desprendiendo pequeñas espículas de color negro. En el margen derecho del citoplasma, se observan numerosas mitocondrias y el resto se halla ocupado por vesículas de diversos tamaños, algunas de las cuales podrían ser de origen lisosómico (Microsopía electrónica de transmisión x 7100).

Los osteoclastos reabsorben el hueso en dos fases (Figura 10). Primero solubilizan el mineral y luego digieren la matriz orgánica2,16. El mineral se solubiliza acidificando el microambiente creado entre la matriz ósea y la membrana fruncida del osteoclasto. La acidificación (pH=4) se logra bombeando hacia el hueso los iones H+. En el citoplasma de los osteoclastos la anhidrasa carbónica cataliza la reacción entre el Co2 y el h2o dando lugar a CO3H2 que se disocia en CO3H- y H+. El H+ es bombeado activamente hacia la matriz ósea a través de la membrana plegada mediante una bomba de protones dotada de una ATPasa específica16. El CO3H- es expulsado fuera de la célula a través de la superficie opuesta donde es intercambiado activamente por CL- 16. El CL- no se acumula en el interior del osteoclasto puesto que es vehiculado hacia la matriz ósea a través de canales específicos situados en la membrana plegada. Una vez eliminado el mineral la matriz orgánica es digerida por colagenasas ácidas y otras enzimas proteolíticas de origen lisosómico. Cuando se ha completado el proceso de reabsorción los osteoclastos mueren por apoptosis18. Los núcleos se hacen más pequeños e hipercromáticos y se fragmentan hasta desaparecer y el citoplasma aumenta su acidofilia y se retrae. Estos restos celulares serán fagocitados por células macrofágicas. In vitro la apoptosis de los osteoclastos es promovida por factor de crecimiento tumoral beta (TGF-ß ).

figura10.jpg (27466 bytes)

Fig.10: Esquema de los mecanismos implicados en la reabsorción ósea por parte de los osteoclastos.

Se ha observado que ratones con alteraciones en los oncogenes c-src y c-fos desarrollan osteopetrosis por lo que estos genes parecen implicados en los mecanismos de control de la reabsorción19. La calcitonina es capaz de inhibir funcionalmente a los osteoclastos a través de receptores específicos pero el papel de esta hormona en condiciones normales parece poco importante. Los osteoclastos carecen de receptores para la PTH. La actividad reabsortiva de los osteoclastos y la osteoclastogénesis parecen ser activadas por la IL-6 e IL-11 producidas por células de estirpe osteoblástica10,11. La producción de IL-6 e IL-11 sería a su vez estimulada por hormonas (PTH, 1-25 dihidroxivitamina D3) y por factores locales (IL-1,factor de necrosis tumoral). Este modelo ofrece amplias posibilidades tanto para la regulación sistémica de la actividad reabsortiva como para la regulación local del acoplamiento entre reabsorción y formación óseas. Además de los descritos, existen otros mecanismos de regulación local de la actividad funcional de los osteoclastos. Así, el calcio liberado durante la reabsorción puede penetrar en el interior del osteoclasto a través de canales de Ca++ situados en la membrana plegada e inhibir la actividad reabsortiva de estas células12. Los factores de crecimiento de origen osteoblástico enterrados en la matriz y liberados durante la reabsorción parecen ser también importantes para el mantenimiento de la actividad funcional de los osteoclastos.

 

[Índice] [Introducción] [Matriz] [Osteoblasto] [Osteoclasto] [Biomecanica] [Dinamica] [Bibliografía]


Contenido

E-mail info@conganat.org

CopyRight Dr. Sergio Serrano, 1998.
Última actualización: 01 noviembre 1998 22:09