Comunicación
      Nº 038

IICVHAPp.gif (9537 bytes)

IndiceIndice

ESTUDIO ÓPTICO, POR MICROSCOPÍA DE ALTA RESOLUCIÓN (MOAR) Y MICROSCOPIÁ ELECTRONICA DE TUMORES INMADUROS DE TEJIDO ADIPOSO.

SPITALE, LUIS S.*; ORTIZ, SUSANA*; HLIBA, ERNESTO**; FREDE, SILVIA S**; OLIVERA, J.

Comentarios

[TITULO] [INTRODUCCIÓN] [MATERIAL Y METODO] [RESULTADOS] [ICONOGRAFÍA] [ICONOGRAFÍA-2] [COMENTARIOS] [CONCLUSIONES] [BIBLIOGRAFÍA]

ICONOGRAFÍA

COMENTARIOS


ICONOGRAFÍA-2

Fig.N°5
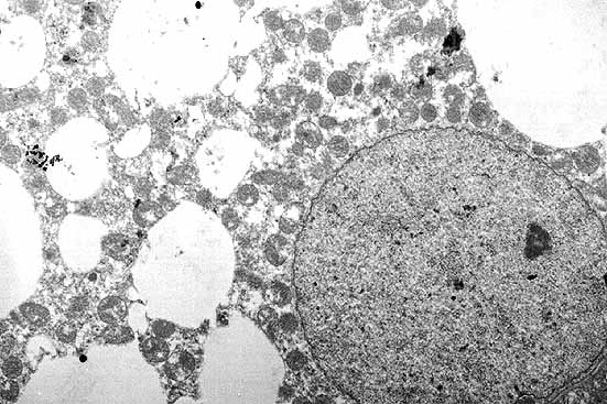
Figura 5. Se observa en este campo gotas de lipofuscina, de vacuolas y numerosas mitocondrias. MET 7000x

 

Fig.N°6
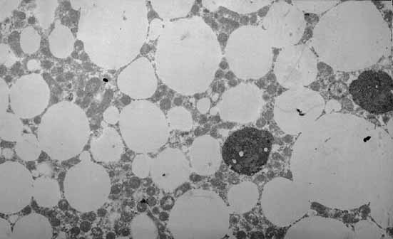
Figura 6. Núcleo de célula de grasa parda con esbozo de nucleolo y cromatina regular MET 9000x

 

Fig.N°7
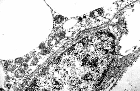
Figura 7. Célula endotelial cuya membrana citoplasmática está en estrecha relación con la membrana celular de una célula tumoral MET 10.000x

 


[TITULO] [INTRODUCCIÓN] [MATERIAL Y METODO] [RESULTADOS] [ICONOGRAFÍA] [ICONOGRAFÍA-2] [COMENTARIOS] [CONCLUSIONES] [BIBLIOGRAFÍA]

ICONOGRAFÍA

COMENTARIOS


SPITALE, LUIS S.*; ORTIZ, SUSANA*; HLIBA, ERNESTO**; FREDE, SILVIA S**; OLIVERA, J.
Copyright © 1998. Reservados todos los derechos.